Siga-nos
Produtos · Produtos · Produtos · Produtos · Produtos · Produtos · Produtos · Produtos · Produtos · Produtos · Produtos · Produtos · Produtos · Produtos · Produtos · Produtos ·

Acoplamento elástico tangente paralelo da série PXQ

Lar · Produtos · Acoplamento / Carcaça de porca · Acoplamento elástico tangente paralelo da série PXQ
Acoplamento elástico tangente paralelo da série PXQ

Acoplamento elástico tangente paralelo da série PXQ

A série PXQ é um acoplamento elástico não metálico com design tangente paralelo. Seu corpo principal é composto por dois semi-acoplamentos metálicos e um conjunto de hastes elásticas retangulares de poliuretano (PU) paralelas e embutidas. Essas hastes elásticas suportam principalmente força de cisalhamento durante a transmissão de torque, ao contrário da força de compressão nos acoplamentos de mandíbula tradicionais. Essa vantagem mecânica permite transmitir maior torque no mesmo tamanho, além de proporcionar maior vida útil em fadiga e melhores capacidades de compensação de desalinhamento.

Tecnologia

O valor central do Acoplamento Elástico Tangente Paralelo da Série PXQ reside em suas triplas vantagens de "alta elasticidade, alta capacidade de carga e longa vida útil" Ele difere significativamente dos acoplamentos de mandíbula comuns (série MH) em princípio e desempenho.

Dimensões de desempenho Acoplamentos tangenciais paralelos da série PXQ Acoplamentos estrela da série MH Guia de seleção de aplicativos
Posicionamento central Adequado para aplicações de transmissão de energia de média a baixa velocidade envolvendo cargas pesadas, impacto e desalinhamento significativo. Transmissão de precisão para aplicações gerais, leves a médias e de alta velocidade. Escolha PXQ para aplicações pesadas; escolha MH para aplicações de precisão de uso geral.
Princípios de transmissão de força As forças de cisalhamento atuam na direção tangencial. A alta utilização do elastômero garante uma distribuição uniforme das tensões. Sujeito a forças de compressão radial. Sujeito a forças axiais, que podem levar à concentração de tensões. O PXQ oferece maior densidade de torque e maior resistência à fadiga.
Capacidade de torque Muito alto. Para as mesmas dimensões e diâmetro externo, o torque nominal é normalmente significativamente maior do que o de um acoplamento em estrela. Moderado. O PXQ oferece vantagens claras quando o espaço é limitado, mas é necessária uma transmissão de alto torque.
Elasticidade e Compensação Excelente. O elastômero possui amplo espaço para deformação, permitindo absorver maior impacto e compensar maiores desalinhamentos radiais e angulares. Bom. O PXQ é mais adequado para equipamentos sujeitos a altos níveis de vibração e choque, ou onde o alinhamento é ruim.
Absorção de choque e amortecimento de vibração Excelente. O grande número de elementos elásticos e o design altamente elástico o tornam um excelente ‘isolador de vibração’. Bom. PXQ é a escolha preferida para equipamentos como britadores, compressores e misturadores.
Velocidade e equilíbrio rotacional Adequado para velocidades médias a baixas. Devido à alta proporção de componentes não metálicos e às limitações na uniformidade da distribuição de massa, a velocidade máxima permitida é normalmente menor do que a de acoplamentos totalmente metálicos ou compactos. Adequado para velocidades médias a altas. Em aplicações servo de alta velocidade (por exemplo, >4000 rpm), acoplamentos MH ou diafragma devem ter prioridade.

Principais Parâmetros Técnicos e Projeto
Análise Estrutural:
Elastômero: Utiliza hastes de poliuretano resistentes ao desgaste, com diferentes opções de dureza disponíveis dependendo dos requisitos de carga. As hastes elásticas podem ser substituídas individualmente, resultando em baixos custos de manutenção.
Peças metálicas: Normalmente feitas de ferro dúctil ou aço, com uma estrutura robusta adequada para ambientes agressivos.
Desempenho principal:
Alta constante elástica: sua rigidez torcional pode ser ajustada de acordo com a dureza e o número de hastes elásticas, proporcionando diferentes opções, desde partida suave até alta rigidez.
Sem lubrificação e sem manutenção: Não é necessária lubrificação, o que o torna ecologicamente correto.
Isolamento elétrico: O elastômero de poliuretano proporciona bom desempenho de isolamento.

Considerações de seleção:
Concentre-se no torque máximo (não apenas no torque nominal) para garantir que ele possa suportar cargas de impacto durante a inicialização ou bloqueio do equipamento.
Defina claramente a faixa de velocidade operacional para evitar falhas devido à deformação centrífuga do elastômero em velocidades excessivamente altas.

Aplicações
A série PXQ é um link de transmissão de energia ideal para as seguintes aplicações da indústria pesada e de alto impacto:
Máquinas pesadas: Conexões de transmissão para britadores de mineração, moinhos de bolas e laminadores.
Equipamentos de energia: Conexões de motor e carga para geradores a diesel, bombas de água e grandes ventiladores.
Máquinas de construção: Peças de acionamento para plantas de mistura, transportadores e talhas.
Qualquer sistema de transmissão industrial com desalinhamento severo, impacto de carga pesada e velocidade relativamente baixa.

O acoplamento elástico tangente paralelo da série PXQ é um representante notável da filosofia de transmissão "usando flexibilidade para superar rigidez". Por meio de seu design exclusivo de força tangente paralela, ele eleva as capacidades de amortecimento, compensação e suporte de carga dos acoplamentos elásticos a um novo nível. Escolher a série PXQ significa que você está selecionando um "parceiro resistente, mas flexível" para equipamentos pesados que enfrentam condições de trabalho exigentes.  Protege eficazmente motores de acionamento e equipamentos de carga caros contra danos causados por choques e desvios, reduzindo significativamente os riscos de tempo de inatividade e os custos de manutenção, e servindo como uma base confiável para garantir uma produção contínua e estável na indústria pesada.

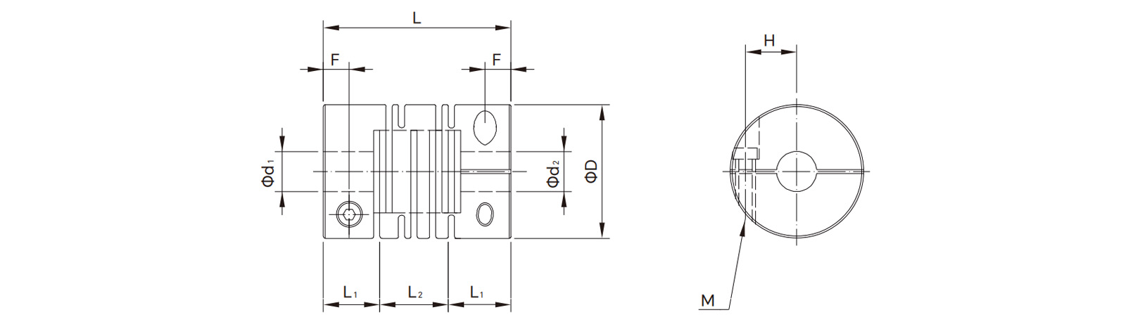
Parâmetros

Modelo no. tamanho dos poros d1/d2 D
(milímetros)
L
(milímetros)
L1
(milímetros)
L2
(milímetros)
F
(milímetros)
H
(milímetros)
Tamanho do parafuso
M
Apertando o torque
(Nm)
Torque nominal
(Nm)
Torque máximo
(Nm)
Velocidade máxima
(RPM)
Momento de inércia
(kg·m²)
Rigidez torcional estática
(Nm/
radical)
Excentricidade permitida
(milímetros)
Desvio permitido
(° )
Desvio axial
(milímetros)
Min
(milímetros)
Máx
(milímetros)
PXQ-D12L18,5 3 5 12 18.5 6 6.5 2.75 3.25 M2 1.5 0.5 1 10000 8,8*10 -6 110 0.1 1.5 ±0,2
PXQ-D16L23 3 6 16 23 8 7 3.75 4.25 M3 1.5 0.5 1 9500 9,1*10 -6 110 0.1 1.5 ±0,2
PXQ-D20L20 4 10 20 20 7.5 5 3.75 6.25 M3 1.5 1 2 7600 8,8*10 -6 110 0.1 1.5 ±0,2
PXQ-D20L26 4 10 20 26 7.5 11 3.75 6.25 M3 1.5 1 2 7600 9,1*10 -6 100 0.1 1.5 ±0,2
PXQ-D25L25 5 12 25 25 10 5 5 7.5 M3 1.5 2 4 6100 2,3*10 -6 165 0.15 1.5 ±0,2
PXQ-D25L31 5 12 25 31 10 11 5 7.5 M3 1.5 2 4 6100 2,6*10 -6 165 0.15 1.5 ±0,2
PXQ-D28L38 6 14 28 38 13 12 6.5 7.5 M4 3.5 3 6 5600 1,5*10 -4 190 0.15 1.5 ±0,2
PXQ-D32L32 6 15 32 32 13 6 6.5 9.5 M4 3.5 4 8 5000 1,8*10 -4 228 0.15 1.5 ±0,2
PXQ-D32L41 6 15 32 41 13 15 6.5 9.5 M4 3.5 4 8 5000 7,2*10 -6 228 0.15 1.5 ±0,2
PXQ-D38L41 8 16 38 41 13 15 6.5 12.5 M5 3.5 7 14 4200 2,7*10 -6 280 0.2 1.5 ±0,2
PXQ-D40L50 8 20 40 50 19.5 11 9.75 10.25 M5 3.5 8 16 3800 2,7*10 -5 340 0.2 1.5 ±0,2
PXQ-D40L56 8 20 40 56 19.5 17 9.75 10.25 M5 3.5 8 16 3800 9,0*10 -5 340 0.2 1.5 ±0,2
PXQ-D50L50 10 28 50 50 19.5 11 9.75 15.25 M6 6 20 40 3100 2,8*10 -4 700 0.2 1.5 ±0,2
PXQ-D50L71 10 28 50 71 19.5 32 9.75 15.25 M6 6 20 40 3100 2,8*10 -4 700 0.2 1.5 ±0,2
PXQ-D63L71 12 35 63 71 27 17 9.75 21.75 M8 8 35 70 3000 2,8*10 -4 850 0.2 1.5 ±0,2
PXQ-D63L90 12 35 63 90 27 36 9.75 21.75 M8 8 35 70 3000 2,8*10 -4 850 0.2 1.5 ±0,2

Desenhos