Siga-nos
Produtos · Produtos · Produtos · Produtos · Produtos · Produtos · Produtos · Produtos · Produtos · Produtos · Produtos · Produtos · Produtos · Produtos · Produtos · Produtos ·

Parafuso de esfera tipo flange série SFU

Lar · Produtos · Parafuso de esfera · Parafuso de esfera tipo flange série SFU
Parafuso de esfera tipo flange série SFU

Parafuso de esfera tipo flange série SFU

Os parafusos esféricos tipo flange da série SFU são componentes de transmissão de precisão convencionais para equipamentos de automação. Eles apresentam um design integrado de flange e porca, alcançando conversão de movimento linear de alta precisão e alta eficiência e simplificando significativamente a estrutura de instalação. Eles são amplamente utilizados em vários cenários de automação industrial.

Tecnologia

Dimensões Características Parafusos de esferas flangeados da série SFU Mecanismos convencionais de parafusos deslizantes
Método de montagem O design integrado do flange permite a montagem direta do equipamento, simplificando a estrutura para uma instalação conveniente e segura Normalmente requerem suportes de porca adicionais e procedimentos de instalação complexos.
Eficiência de transmissão Eficiência excepcionalmente alta (85%-98%) requer torque mínimo de acionamento, proporcionando economia significativa de energia Baixa eficiência (geralmente <50%), com perdas significativas por atrito.
Precisão de movimento Alcança transmissão sem folga com alta precisão de posicionamento, excelente repetibilidade e capacidade de resposta Exibe folga, é propenso a fenômenos de rastejamento e oferece baixa precisão.
Rigidez e capacidade de carga A pré-carga aumenta a rigidez axial; a estrutura do flange melhora a estabilidade de montagem e a capacidade de carga Rigidez moderada com capacidade de carga limitada.
Vida útil Desgaste mínimo por fricção de rolamento, com vida útil excedendo os parafusos deslizantes em várias vezes Desgaste rápido devido ao atrito de deslizamento, resultando em curta vida útil.
Desempenho em movimento Operação suave sem vibração, permitindo aplicações de alta velocidade e microalimentação Propenso a rastejar em baixas velocidades, com baixo desempenho em alta velocidade.

Principais parâmetros técnicos
Faixa de especificação: Os diâmetros padrão do eixo variam de Φ12 mm a Φ100 mm, e o avanço varia de 4 mm a 20 mm, atendendo a diversas necessidades, desde ajuste fino até movimento rápido.

Classe de precisão: a precisão padrão é normalmente C7, um nível de precisão econômico suficiente para a maioria dos requisitos de equipamentos de automação.

Estrutura da porca: Design comum de circulação interna, resultando em uma estrutura mais compacta e menor ruído operacional. Alguns modelos utilizam uma porca em "formato de cintura" ou válvula de retorno de metal para melhor desempenho.

Configurações opcionais: A usinagem personalizada do efetor final (por exemplo, fresamento de rasgos, perfuração) é suportada e pode ser combinada com bases de suporte padrão (séries BK/BF, FK/FF, etc.) para fornecer soluções completas.

Cenários de Aplicação: Com as vantagens acima, a série tipo flange SFU é ideal para os seguintes campos:

Automação Industrial Geral: Linhas de produção automatizadas, máquinas de montagem e módulos de movimentação de materiais. Equipamentos CNC e Laser: Máquinas de corte a laser, máquinas de gravação, eixos de alimentação de máquinas-ferramentas CNC de pequeno e médio porte.

Instrumentos de precisão: Máquinas de impressão, equipamentos de medição, plataformas de precisão de laboratório.

Outros campos: Robótica, equipamentos semicondutores, dispositivos médicos e outras aplicações que exigem movimento linear preciso.

O parafuso esférico tipo flange da série SFU é uma solução de transmissão econômica que integra alta precisão, alta eficiência, longa vida útil e fácil instalação. Seu design robusto e confiável o torna uma escolha universalmente preferida para engenheiros que buscam melhorar o desempenho e a confiabilidade dos equipamentos.

Parâmetros

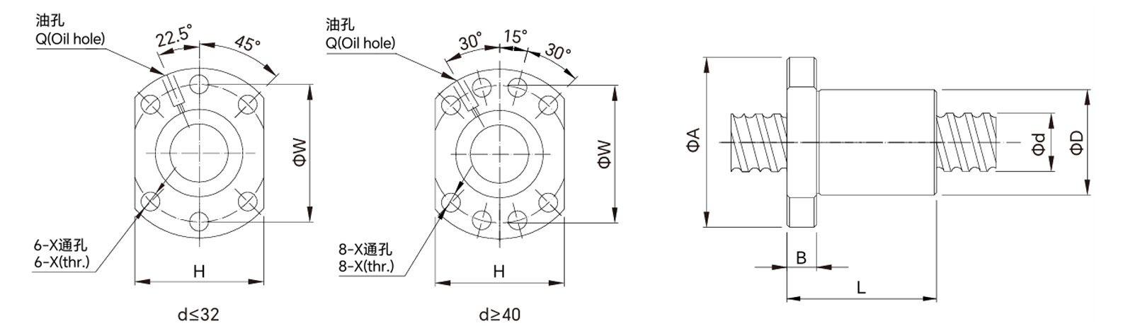
Modelo no. d EU Sim Dimensão Classificação de carga Rigidez Peso
D Um B L O H X Q n Ca(kgf) Coa(kgf) Kgf/um Kg
SFU1204-3 12 4 2.381 22/24 42 8 35 32 30 4.5 M5 1x3 902 1884 26 0.138
SFU1604-4 16 4 2.381 28 48 10 40 38 40 5.5 M6 1x4 973 2406 32 0.184
SFU1605-3/4 5 3.175 28 48 10 42/50 38 40 5.5 M6 1x3/4 1380 3052 32 0.19
SFU1610-2/3 10 3.175 28 48 10 44/57 38 40 5.5 M6 1x2/3 1103 2401 26 0.22
SFU2004-4 20 4 2.381 36 58 10 42 47 44 6.6 M6 1x4 1066 2987 38 0.294
SFU2005-3/4 5 3.175 36 58 10 44/51 47 44 6.6 M6 1x3/4 1551 3875 38 0.316
SFU2010-2/3 10 3.175 36 58 10 44/60 47 44 6.6 M6 1x4/3 1551 3875 38 0.32
SFU2504-4 25 4 2.381 40 62 10 42 51 48 6.6 M6 1x4 1180 3795 43 0.384
SFU2505-3/4 5 3.175 40 62 10 44/51 51 48 6.6 M6 1x3/4 1724 4904 45 0.35
SFU2510-3/4 10 4.762 40 62 12 70/85 51 48 6.6 M6 1x3/4 2954 7295 50 0.484
SFU3204-4 32 4 2.381 50 80 12 44 65 62 9 M6 1x4 1296 4838 51 0.658
SFU3205-4 5 3.175 50 80 12 52 65 62 9 M6 1x4 1922 6343 54 0.588
SFU3210-3/4 10 6.35 50 80 12 74/90 65 62 9 M6 1x3/4 4805 12208 61 0.832
SFU4005-3/4 40 5 3.175 63 93 14 45/55 78 70 9 M8 1x4 2110 7988 63 0.97
SFU4010-3/4 10 6.35 63 93 14 74/93 78 70 9 M8 1x3/4 5399 15500 73 1.246
SFU5005-4 50 5 3.175 75 110 16 55 93 85 11 M6 1x4 6004 19614 85 1.82
SFU5010-4 10 6.35 75 110 16 93 93 85 11 M8 1x4 6004 19614 85 1.82
SFU05020-4 20 7.144 75 110 16 138 93 85 11 M8 1x4 7142 22588 94 2.674
SFU6310-4 63 10 6.35 90 125 18 98 108 95 11 M8 1x4 6719 25358 99 2.576
SFU6320-4 20 9.525 95 135 20 149 115 100 13.5 M8 1x4 11444 36653 112 4.888
SFU8010-4 80 10 6.35 105 145 20 98 125 110 13.5 M8 1x4 7346 31953 109 9.016
SFU8020-4 20 9.525 125 165 25 154 145 130 13.5 M8 1x4 12911 47747 138 9.016
SFU10020-4 100 20 9.525 150 202 30 180 170 155 17.5 M8 1x4 14303 60698 162 10

Desenhos



Suporta seleção de combinação de produtos