Siga-nos
Produtos · Produtos · Produtos · Produtos · Produtos · Produtos · Produtos · Produtos · Produtos · Produtos · Produtos · Produtos · Produtos · Produtos · Produtos · Produtos ·

Parafuso de esfera da série DFU com porca dupla

Lar · Produtos · Parafuso de esfera · Parafuso de esfera da série DFU com porca dupla
Parafuso de esfera da série DFU com porca dupla

Parafuso de esfera da série DFU com porca dupla

A principal vantagem dos parafusos esféricos de porca dupla da série DFU decorre de sua estrutura exclusiva de pré-carga de porca dupla. Ele foi projetado especificamente para transmissão de precisão estável e confiável em equipamentos automatizados que exigem cargas médias a pesadas, alta rigidez e posicionamento preciso.

Tecnologia

Características Série DFU Double Nut Parafusos de esferas tradicionais de porca única
Distância axial A eliminação de pré-carga permite reação zero Geralmente apresentam leve reação negativa
Rigidez do sistema Rigidez excepcionalmente alta com resistência à deformação superior Geralmente
Capacidade de carga Capacidade de carga aprimorada para aplicações de serviço médio a pesado Relativamente baixo
Requisitos espaciais Projeto de circulação interna para estrutura compacta Depende do tipo específico
Aplicações adequadas Adequado para setores exigentes, incluindo máquinas-ferramentas de precisão, equipamentos automatizados e robótica industrial Adequado para aplicações com requisitos moderados de precisão e rigidez

Principais vantagens em resumo:
Alta rigidez, folga zero: a aplicação de pré-carga entre as duas porcas elimina completamente a folga axial, proporcionando transmissão sem folga e melhorando significativamente a rigidez do sistema. Isto permite-lhe manter uma estabilidade de posicionamento extremamente elevada mesmo sob cargas bidirecionais.

Maior capacidade de carga e maior vida útil: em comparação com estruturas de porca única, o design de porca dupla aumenta significativamente a capacidade de carga nominal e a vida útil, aumentando o número de esferas de suporte de carga.

Alta precisão e sensibilidade: utilizando um design de circulação interna, a estrutura compacta garante alta precisão e permite microalimentação com precisão de 0,1 micrômetro. Seu torque de acionamento é apenas cerca de um terço do de um parafuso deslizante, resultando em movimento sensível e eficiente.

Aplicações típicas:
Graças às vantagens acima, a série DFU é particularmente adequada para:

Eixos de alimentação de máquinas-ferramentas CNC de alta precisão.

Equipamentos de fabricação de semicondutores e instrumentos de teste de precisão.

Principais juntas de transmissão de robôs industriais.

Módulos que exigem posicionamento preciso em linhas de produção automatizadas.

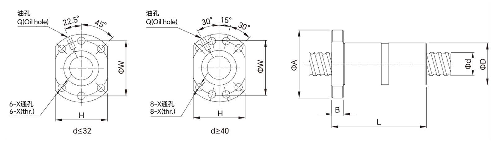
Parâmetros

Modeeuo no. d l Sim Dimensão Classificação de carga Rigidez Peso
D Um B L O H X Q n Ca(kgf) Coa(kgf) Kgf/μm Kg
DFU1604-4 16 4 2.381 28 48 10 80 38 40 5.5 M6 1x4 973 2406 43 0.308
DFU1605-4 5 3.175 28 48 10 100 38 40 5.5 M6 1x4 1380 3052 44 0.27
DFU1610-3 10 3.175 28 48 10 118 38 40 5.5 M6 1x3 1103 2401 35 0.33
DFU2004-4 20 4 2.381 36 58 10 80 47 44 6.6 M6 1x4 1066 2987 51 0.48
DFU2005-4 5 3.175 36 58 10 101 47 44 6.6 M6 1x4 1551 3875 53 0.512
DFU2504-4 25 4 2.381 40 62 10 80 51 48 6.6 M6 1x4 1180 3795 60 0.548
DFU2505-4 5 3.175 40 62 10 101 51 48 6.6 M6 1x4 1724 4904 62 0.532
DFU2510-4 10 4.762 40 62 12 145 51 48 6.6 M6 1×4 2954 7295 67 0.808
DFU3204-4 32 4 2.381 50 80 12 80 65 62 9 M6 1x4 1296 4838 71 0.956
DFU3205-4 5 3.175 50 80 12 102 65 62 9 M6 1x4 1922 6343 74 0.946
DFU3210-4 10 6.35 50 80 12 162 65 62 9 M6 1x4 4805 12208 82 1.278
DFU4005-4 40 5 3.175 63 93 14 105 78 70 9 M8 1x4 2110 7988 87 1.486
DFU4010-4 10 6.35 63 93 14 165 78 70 9 M8 1x4 5399 15500 99 2.18
DFU5010-4 50 10 6.35 75 110 16 171 93 85 11 M8 1x4 6004 19614 117 3.052
DFU5020-4 20 7.144 75 110 16 280 93 85 11 M8 1x4 7142 22588 126 4.200
DFU6310-4 63 10 6.35 90 125 18 182 108 95 11 M8 1x4 6719 25358 139 4.175
DFU6320-4 20 9.525 95 135 20 290 115 100 13.5 M8 1x4 11444 36653 152 8.362
DFU8010-4 80 10 6.35 105 145 20 182 125 110 13.5 M8 1x4 7346 31953 156 4.806
DFU8020-4 20 9.525 125 165 25 295 145 130 13.5 M8 1x4 12911 47747 187 16.66
DFU10020-4 100 20 9.525 150 202 30 340 170 155 17.5 M8 1x4 14303 60698 222 26.4

Desenhos

Suporta seleção de combinação de produtos