Siga-nos
Produtos · Produtos · Produtos · Produtos · Produtos · Produtos · Produtos · Produtos · Produtos · Produtos · Produtos · Produtos · Produtos · Produtos · Produtos · Produtos ·

Parafuso de esferas da série SFY de chumbo grande

Lar · Produtos · Parafuso de esfera · Parafuso de esferas da série SFY de chumbo grande
Parafuso de esferas da série SFY de chumbo grande

Parafuso de esferas da série SFY de chumbo grande

O parafuso esférico da série SFY de grande chumbo é um parafuso esférico com um chumbo significativamente maior que os valores padrão. Sua filosofia de design é alcançar velocidades de movimento linear mais altas e resposta de aceleração mais rápida, fornecendo um deslocamento linear mais longo por revolução na mesma velocidade do motor. É um componente de energia essencial para melhorar a eficiência geral da produção de linhas de produção automatizadas, equipamentos de manuseio de alta velocidade e mecanismos de alimentação rápida.

Tecnologia

O valor central da série SFY reside em seu desempenho de velocidade superior e capacidades de transmissão eficientes, que contrastam fortemente com os parafusos de avanço convencionais em termos de objetivos de aplicação.

Dimensões Características Série SFY Tipo de cabo grande Chumbo padrão/Tipo padrão (para comparação)
Principais vantagens Permite movimento linear de alta velocidade, aumentando a eficiência da produção. Oferece transmissão de alta precisão e alta rigidez.
Velocidade operacional Excepcionalmente alto. Em velocidades rotacionais de entrada equivalentes, a velocidade linear aumenta exponencialmente. Velocidade padrão, atendendo aos requisitos gerais.
Eficiência de transmissão Alto. Observe, no entanto, que o aumento do chumbo reduz ligeiramente a eficiência mecânica teórica (exigindo maior torque para acionar cargas equivalentes). Alto.
Precisão de posicionamento (absoluta) Dentro do mesmo grau de precisão, o valor absoluto do erro de viagem de revolução única é relativamente grande. Mais adequado para aplicações que exigem alta precisão de posicionamento repetido, mas requisitos de precisão de deslocamento absoluto relativamente relaxados. Alta precisão absoluta de posicionamento.
Capacidade de carga axial Relativamente baixo. Devido ao aumento do ângulo de avanço, parte da força axial é convertida em força radial, necessitando de verificação da capacidade de empuxo e da vida útil. Forte capacidade de carga axial.
Capacidade de autobloqueio Sem capacidade de travamento automático; requer um freio para evitar queda de carga durante falha de energia. Pequenos fios podem ter alguma capacidade de travamento automático.

Principais Parâmetros Técnicos e Projeto
Definição e seleção de chumbo: Modelos com valor de chumbo maior que 1/3 ou mesmo 1/2 do diâmetro do eixo do parafuso são geralmente classificados como parafusos esféricos de chumbo grandes. Por exemplo, para um parafuso de esferas de Φ20 mm, um cabo maior que 10 mm pode ser considerado um cabo grande.
Velocidade e correspondência de motores: seu design visa reduzir a dependência de altas velocidades de motores. O movimento de alta velocidade pode ser alcançado com motores de velocidade comuns, reduzindo os requisitos para o motor e o motorista, tornando-o mais econômico.
Considerações sobre precisão: a precisão padrão geralmente é de grau C7. Ao selecionar um modelo, o foco deve estar na precisão do posicionamento repetitivo, em vez de gerar erros cumulativos, pois suas características de alta velocidade são frequentemente usadas para manuseio rápido "ponto a ponto", não para corte de ultraprecisão.
Características estruturais: O projeto da porca geralmente usa várias fileiras de rolamentos de esferas para aumentar o número de esferas de suporte de carga, compensando a potencial diminuição na capacidade de carga devido ao aumento do chumbo.

Aplicações
O parafuso esférico da série SFY é uma escolha ideal para as seguintes aplicações com prioridade de velocidade:
Automação e manuseio de alta velocidade: Transferência rápida de material em linhas de produção automatizadas, eixos de preensão de robôs de alta velocidade (como robôs Delta) e mecanismos de elevação de carrinhos AGV.
Mecanismos de alimentação rápida: eixos de movimento rápido (G00) de máquinas-ferramentas CNC, movimento ocioso de máquinas de corte a laser e eixos de varredura de equipamentos de teste na indústria 3C.
Equipamentos especiais: Máquinas de embalagem de alta velocidade, mecanismos de alimentação de máquinas de impressão e equipamentos de elevação de estágios.
Qualquer aplicação que exija tempo ocioso reduzido, melhor tempo de ciclo do equipamento e maior eficiência de produção.

O parafuso esférico da série Big Lead SFY é um "acelerador" para velocidade do equipamento. Através de uma conversão inteligente de projeto mecânico, ele transforma eficientemente o movimento rotacional em movimento linear de alta velocidade, permitindo diretamente que o equipamento alcance ciclos de produção mais rápidos. Escolher a série SFY significa selecionar "velocidade" e "eficiência" como principais vantagens competitivas para seu equipamento na acirrada competição de mercado atual.

Parâmetros

Grande chumbo
Modelo no.
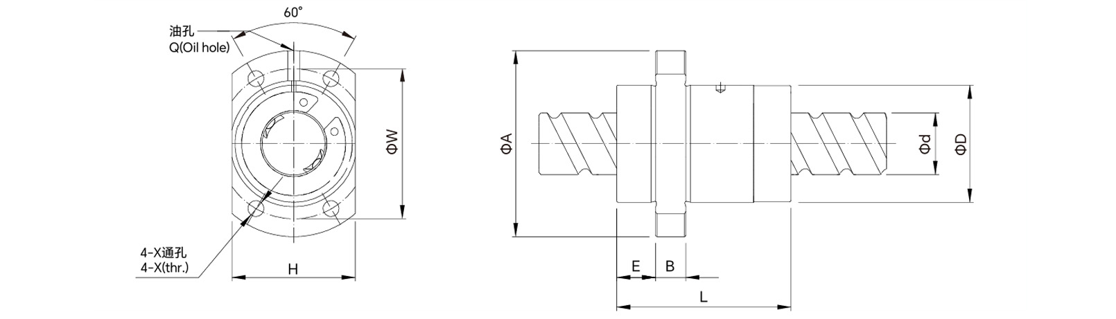
d EU Sim Dimensão Classificação de carga Rigidez Peso
D Um E B L O H X Q n Ca(kgf) Coa(kgf) Kgf/um Kg
SFY1616-3,6 16 16 2.778 32 53 10.1 10 45 42 34 4.5 M6 1,8x2 1073 2551 31 0.238
SFY2020-3.6 20 20 3.175 39 62 13 10 52 50 41 5.5 M6 1,8x2 1387 3515 37 0.38
SFY2525-3,6 25 25 3.969 47 74 15 12 64 60 49 6.6 M6 1,8x2 2074 5494 45 0.652
SFY3232-3,6 32 32 4.762 58 92 17 12 78 74 60 9 M6 1,8x2 3021 8690 58 1.168
SFY4040-3,6 40 40 6.35 73 114 19.5 15 99 93 75 11 M6 1,8x2 4831 14062 70 2.288
SFY5050-3.6 50 50 7.938 90 135 21.5 20 117 112 92 14 M6 1,8x2 7220 21974 86 4.12

Chumbo duplo
Modelo no.
d EU Sim Dimensão Classificação de carga Rigidez Peso
D Um E B L O H X Q n Ca(kgf) Coa(kgf) Kgf/um Kg
SFY1632-1,6 16 32 2.778 32 53 10.1 10 42.5 42 34 4.5 M6 0,8x2 493 1116 11 0.222
SFY2040-1,6 20 40 3.175 39 62 13 10 48 50 41 5.5 M6 0,8x2 653 1597 15 0.348
SFY2550-1,6 25 50 3.969 47 74 15 12 58 60 49 6.6 M6 0,8x2 976 2495 19 0.596
SFY3264-1,6 32 64 4.762 58 92 17 12 71 74 60 9 M6 0,8x2 1374 3571 22 1.066
SFY4080-1,6 40 80 6.35 73 114 19.5 15 90 93 75 11 M6 0,8x2 2273 6387 29 2.096
SFY50100-1,6 50 100 7.938 90 135 21.5 20 111 112 92 14 M6 0,8x2 3398 9980 35 3.818

Desenhos


Suporta seleção de combinação de produtos