Siga-nos
Produtos · Produtos · Produtos · Produtos · Produtos · Produtos · Produtos · Produtos · Produtos · Produtos · Produtos · Produtos · Produtos · Produtos · Produtos · Produtos ·

Mini Parafuso Esférico Tipo SFK Série

Lar · Produtos · Parafuso de esfera · Mini Parafuso Esférico Tipo SFK Série
Mini Parafuso Esférico Tipo SFK Série

Mini Parafuso Esférico Tipo SFK Série

O parafuso esférico da série Mini tipo SFK é um componente de transmissão de precisão com um diâmetro de eixo extremamente pequeno e uma estrutura altamente compacta. Ele herda as excelentes características dos parafusos esféricos, como alta precisão e alta eficiência, e os condensa em um tamanho miniatura, fornecendo um poderoso "coração de micropotência" para dispositivos de automação de pequena escala, instrumentos de precisão, microrrobôs e eletrônicos de consumo.

Tecnologia

O valor central da série SFK reside em "conduzir o mundo da precisão em milímetros" Ela difere fundamentalmente de outras séries em termos de tamanho e desempenho.

Dimensões Características Série SFK em miniatura Série compacta padrão (SFU1204) Tipo direto (série SCA)
Principais vantagens Alcançando extrema miniaturização e design leve para transmissão de precisão em microespaços. Compacto, econômico e versátil. Estrutura compacta, instalação flexível.
Faixa de tamanho Diâmetros do eixo normalmente ≤6 mm (por exemplo, 3 mm, 4 mm, 6 mm), com passos geralmente de 1 mm ou menores, resultando em dimensões gerais excepcionalmente compactas e peso mínimo. Diâmetro do eixo normalmente ≥12 mm, classificado como produtos padrão compactos. Grande variedade de tamanhos, embora a miniaturização não seja seu forte.
Eficiência de transmissão Alta eficiência, embora as tolerâncias de fabricação impactem significativamente o desempenho devido às dimensões em microescala. Alto. Alto.
Capacidade de carga Capacidade de carga relativamente baixa, adequada para cargas leves (normalmente de várias a dezenas de newtons). Moderado, adequado para cargas leves de rotina. Depende das especificações, ampla gama.
Desafios de precisão A fabricação apresenta desafios extremos, exigindo usinagem de ultraprecisão para garantir a qualidade da pista, circulação suave da esfera e distribuição uniforme da pré-carga. Fabricado com tolerâncias padrão e processos comprovados. Fabricado com precisão padrão.
Campos de aplicação As aplicações incluem microrobótica, alinhamento óptico de precisão, equipamentos de cateter médico, válvulas de microdispensação e modelagem de ponta. Equipamentos automatizados compactos, instrumentação e medição. Vários equipamentos com espaço limitado.

Principais Parâmetros Técnicos e Projeto
Fabricação de precisão: A retificação da pista do eixo do parafuso esférico, o processamento da porca e a montagem de pequenas esferas de aço (com diâmetros possivelmente inferiores a 1 mm) requerem precisão de fabricação extremamente alta.
Inovação estrutural: pode empregar circulação de tampa final ou recirculadores em miniatura especiais para acomodar o espaço interno extremamente pequeno.
Materiais e tratamento térmico: Ligas de aço de alta resistência são frequentemente usadas e submetidas a tratamento térmico especial para garantir resistência e resistência ao desgaste suficientes em tamanhos miniatura.
Precisão e desempenho: disponível em graus de precisão C5, C7 e até mais altos. Devido ao seu cabo extremamente pequeno, muitas vezes ele pode atingir controle de deslocamento de precisão submicrométrico.
Especificações e seleção: oferece diâmetros de eixo extremamente pequenos de φ3 mm a φ10 mm, com cabos normalmente de 0,5 mm, 1 mm, 2 mm, etc. Os usuários precisam calcular cuidadosamente a carga, a velocidade e a vida útil.

Aplicações
O parafuso esférico da série Mini tipo SFK é a fonte de energia ideal para os seguintes equipamentos de ponta miniaturizados e leves:
Microautomação e Robótica: Braços microrobóticos de mesa, plataformas de micromovimento em equipamentos de embalagem de chips, acionamentos conjuntos para microrobôs biônicos.
Óptica e Instrumentos de Precisão: Equipamentos de alinhamento de fibra óptica, eixos de microajuste para máquinas de gravação a laser, mecanismos de focagem automática para microscópios.
Equipamentos médicos e laboratoriais: manipuladores de células, sequenciadores de genes, mecanismos de alimentação de precisão para chips microfluídicos, efetores finais finos para robôs cirúrgicos.
Produtos de consumo e modelos de ponta: elevação de bico de impressora 3D de alta precisão, controles deslizantes de câmera profissionais, controle de leme para modelos de aeronaves de ponta.

O parafuso esférico da série Mini tipo SFK é um excelente representante do avanço da engenharia de precisão no domínio microscópico. Ele quebra as limitações de "transmissão eficiente e precisa, sendo difícil de ser alcançada em espaços pequenos", condensando a essência da tecnologia de parafusos de esferas em um design compacto. Escolher a série SFK significa equipar seus produtos inovadores miniaturizados com componentes de movimento central de nível profissional e altamente confiáveis, o que é fundamental para criar competitividade diferenciada e uma experiência de produto superior.

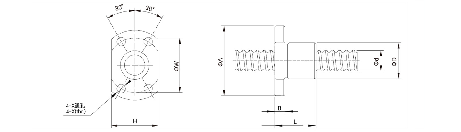
Parâmetros

Modelo no. d EU Sim Dimensão Classificação de carga Rigidez Peso
D Um B L O H X Y Z Q n Ca(kgf) Coa(kgf) Kgf/um Kg
SFK0401 4 1 0.8 10 20 3 12 15 14 2.9 - - - 1x2 64 97 5 0.024
SFK0601 6 1 0.8 12 24 3.5 15 18 16 3.4 - - - 1x3 111 224 9 0.018
SFK0801 8 1 0.8 14 27 4 16 21 18 3.4 - - - 1x4 161 403 14 0.027
SFK0802 2 1.2 14 27 4 16 21 18 3.4 - - - 1x3 222 458 13 0.026
SFK082,5 2.5 1.2 16 29 4 26 23 20 3.4 - - - 1x3 221 457 13 0.038
SFK1002 10 2 1.2 18 35 5 28 27 22 4.5 - - - 1x3 243 569 15 0.056
SFK1004 4 2 26 46 10 34 36 28 4.5 8 4.5 M6 1x3 468 905 17 0.068
SFK1202 12 2 1.2 20 37 5 28 29 24 4.5 - - - 1x4 334 906 22 0.062
SFK1402 14 2 1.2 21 40 6 23 31 26 5.5 - - - 1x4 354 1053 24 0.081
SFK1602 16 2 1.2 25 43 10 40 35 29 5.5 - - M6 1x4 373 1200 26 0.236

Desenhos


Suporta seleção de combinação de produtos