Siga-nos
Produtos · Produtos · Produtos · Produtos · Produtos · Produtos · Produtos · Produtos · Produtos · Produtos · Produtos · Produtos · Produtos · Produtos · Produtos · Produtos ·

Usinagem de extremidade de parafuso de esfera BK lado fixo

Lar · Produtos · Suportes e acessórios para parafusos de esferas · Usinagem de extremidade de parafuso de esfera BK lado fixo
Usinagem de extremidade de parafuso de esfera BK lado fixo

Usinagem de extremidade de parafuso de esfera BK lado fixo

Oferecemos serviços integrados de usinagem de precisão para as extremidades dos eixos de toda a nossa linha de unidades de suporte de parafusos de esferas. Seja a extremidade fixa (BK/FK/EK/AK) ou a extremidade de suporte (BF/FF/EF/AF), podemos realizar usinagem profissional de acordo com desenhos padrão, garantindo que você receba um conjunto completo de parafuso esférico pronto para instalar e atende aos requisitos de desempenho, resolvendo completamente os problemas de instalação e compatibilidade.

Tecnologia

Matriz de serviço completa e principais vantagens.

Categorias de serviços Operações de usinagem de chaves Requisitos e recursos de precisão Valor fundamental para os clientes
Usinagem de extremidade fixa
(BK/FK/EK/AK)
1. Giro preciso do ombro do eixo (superfície de localização axial)
2. Corte de roscas de alta precisão (para encaixar porcas RN)
3. Fresamento de rasgos de chaveta padrão (para engate com arruelas de pressão)
4. Chanfradura e rebarbação de precisão
Controle rigoroso de tolerância:
· FK: Mais apertado do que as especificações padrão, suportando cargas pesadas com alta precisão
· EK: Design compacto, equilibrando confiabilidade e custo-benefício
· AK: Controle em nível de mícron, ultrapassando os limites da usinagem
Garantindo o desempenho do sistema nativo: Interfaces de montagem precisas garantem pré-carga uniforme do rolamento, alta rigidez do sistema e eliminação de erros adicionais.
Usinagem de extremidade de suporte
(BF/FF/EF/AF)
1. Giro preciso do diâmetro externo e da face final (para encaixar no furo do alojamento de suporte)
2. Cortar ou deixar um comprimento específico (para garantir folga axial)
3. Usinagem de uma ranhura ou rosca de anel de retenção (para limitação axial)
4. Tratamento de acabamento superficial
O princípio fundamental é garantir ‘flutuação’:
· Garantir um ajuste de folga com o alojamento de suporte (por exemplo, tolerância h6)
· Controlar o comprimento para permitir espaço de expansão preciso para expansão térmica do parafuso de avanço
· Usinagem de anéis de retenção e outras estruturas limitadoras para evitar desengate acidental do rolamento
Eliminando o risco de estresse térmico: ajustes precisos e controle dimensional permitem que o parafuso de avanço flutue livremente durante a expansão e contração térmica, evitando deformação, ruído ou travamento do sistema causados por estresse térmico e garantindo confiabilidade durante a operação de longo curso.
Usinagem complementar
(BK BF /FK FF, etc.)
As operações de usinagem correspondentes acima são realizadas em ambas as extremidades de um parafuso de avanço, de acordo com os modelos selecionados de extremidade fixa e extremidade de suporte. A usinagem coordenada de ambas as extremidades garante controle geral de precisão:
· Garantir uma referência de usinagem unificada para ambas as extremidades
· Controlar o comprimento total e a precisão posicional relativa dos recursos em ambas as extremidades
Fornecendo uma solução completa ‘chave na mão’: Os clientes não precisam manusear componentes separadamente; fornecemos parafusos de avanço completos com extremidades perfeitamente combinadas que estão prontas para instalação direta, reduzindo significativamente o tempo de montagem do equipamento e minimizando os riscos de integração.

Profundidade do serviço técnico: desenhos, padrões e controle de qualidade
Garantimos que cada processo de usinagem seja baseado em dados e padrões confiáveis:

1. Base de desenho: Seguimos rigorosamente os desenhos padrão internacionais de interface de unidade de suporte, como JIS B1192-1997 para usinagem. Os clientes também podem fornecer desenhos personalizados.

2. Controle de parâmetros principais:

Extremidade fixa: controle rigoroso do diâmetro do ombro (por exemplo, tolerância j6), desvio da face final (≤0,01 mm), precisão da rosca (6 g) e simetria da ranhura.

Extremidade de suporte: controle preciso do diâmetro do munhão correspondente (por exemplo, tolerância h6), tolerância de comprimento (±0,1 mm) e posição e largura da ranhura do anel de retenção.

3. Controle de processo e qualidade: Usamos máquinas de torneamento e fresamento multieixo CNC para concluir a usinagem de vários recursos em uma única configuração, garantindo coaxialidade. Instrumentos de medição de precisão (como CMMs) são usados para inspeção completa ou amostragem, e relatórios de inspeção são fornecidos.

Processo de serviço
1. Confirmação de requisitos: O cliente fornece o modelo do parafuso de esferas, comprimento total e modelos de extremidade fixa e de suporte selecionados (por exemplo, SFU1605-500 mm, com BK12 e BF12).
2. Formulação do processo: desenhos padrão são recuperados ou desenhos do cliente são analisados para gerar programas de usinagem e cartões de processo.
3. Usinagem de precisão: todos os recursos em ambas as extremidades são usinados em máquinas-ferramentas profissionais.
4. Limpeza e Inspeção: Após a limpeza, as principais dimensões são inspecionadas e registradas.
5. Entrega: Fornecemos produtos qualificados e podemos fornecer diagramas de instalação simples ou dados de inspeção, conforme necessário.

Por que escolher nosso serviço de usinagem integrado?
Nosso serviço vai além da simples "fabricação contratada"; é o seu "seguro de desempenho" e "motor de eficiência" para construir sistemas de movimento linear altamente confiáveis. Para fabricantes de equipamentos (OEMs): simplifique sua cadeia de suprimentos e melhore a eficiência da linha de montagem. Receba conjuntos de parafusos esféricos prontos para instalação, reduzindo significativamente o tempo de medição, depuração e retrabalho no local, garantindo a qualidade consistente dos produtos acabados.

Para integradores de sistemas e usuários finais: menores barreiras técnicas e custos gerais. Evite a necessidade de investir em equipamentos de usinagem de precisão e técnicos qualificados e evite as consequências dispendiosas de erros de autousinagem, como falha do parafuso esférico, danos ao rolamento ou até mesmo mau funcionamento completo da máquina. Você paga por resultados garantidos, não por risco e incerteza.

Escolher-nos significa escolher profissionalismo, confiabilidade e tranquilidade. Transformamos trabalhos complexos de adaptação mecânica de precisão em um conjunto de componentes padronizados que são rápidos de instalar e têm desempenho garantido, permitindo que você concentre sua energia no design principal e na inovação.

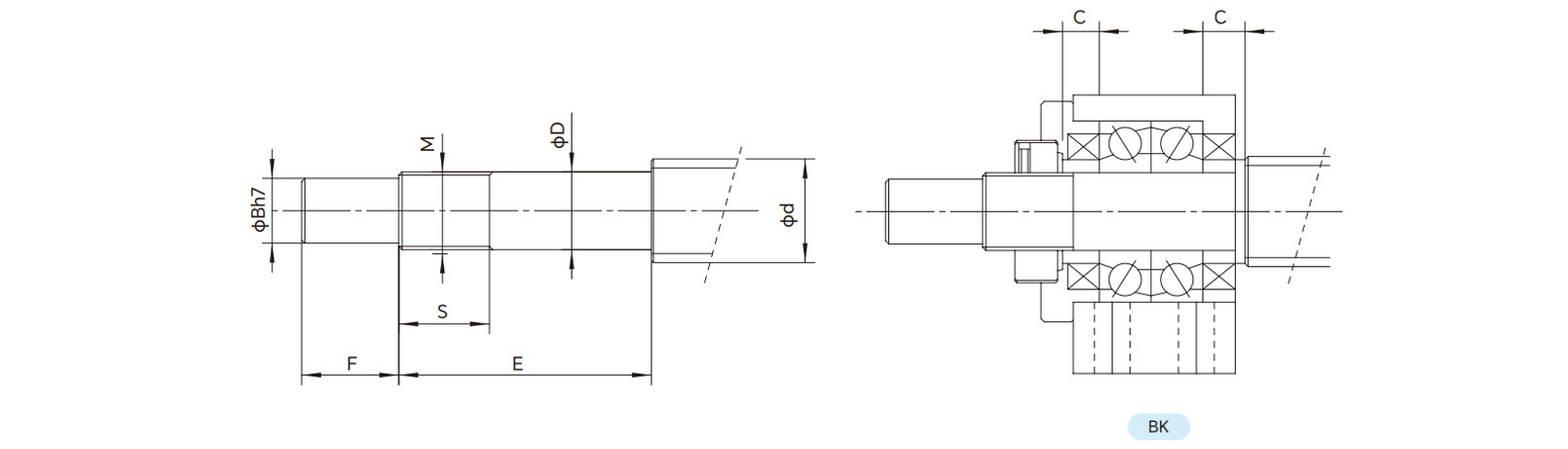
Parâmetros

Modelo no. Suporte de eixo
OD
Suporte de eixo OD Rosca de parafuso métrica Comprimento da ponteira
BK d D B E F M S C
BK10 14/12/15 10 -0,006
-0,014
8 39 15 M10×1 14 5
BK12 14/15/16 12 -0,006
-0,014
10 39 15 M12×1 14 5
BK15 18/20 15 -0,008
-0,015
12 40 20 M15×1 12 6
BK17 20/25 17 -0,008
-0,015
15 53 23 M17×1 17 7
BK20 25/28 20 -0,008
-0,017
17 53 25 M20×1 15 8
BK25 32/36 25 -0,008
-0,017
20 66 30 M25×1,5 20 9
BK30 36/40/45 30 -0,008
-0,017
25 72 38 M30×1,5 25 9
BK35 45 35 -0,008
-0,017
30 81 45 M35×1,5 28 12
BK40 50 40 -0,008
-0,02
35 98 50 M40×1,5 35 15

Desenhos