Siga-nos
Produtos · Produtos · Produtos · Produtos · Produtos · Produtos · Produtos · Produtos · Produtos · Produtos · Produtos · Produtos · Produtos · Produtos · Produtos · Produtos ·

Carcaça de porca de aço série DSG/DSG

Lar · Produtos · Acoplamento / Carcaça de porca · Carcaça de porca de aço série DSG/DSG
Carcaça de porca de aço série DSG/DSG

Carcaça de porca de aço série DSG/DSG

O alojamento da porca de aço da série DSG é um componente de montagem resistente projetado para ambientes industriais exigentes que exigem alta capacidade de carga, alta resistência ao impacto e alta rigidez. Fabricado em liga de aço de alta qualidade com usinagem de precisão e tratamento térmico, oferece excelente capacidade de carga e resistência à deformação, garantindo transmissão de energia estável, precisa e durável em máquinas-ferramentas CNC pesadas, equipamentos de automação em larga escala e máquinas industriais pesadas.

Tecnologia

Principais recursos e vantagens

Características do produto Blocos de porcas de aço da série DSG Valores Essenciais
Rigidez incomparável, estabilidade sólida como rocha Construídos em aço de alta rigidez com alto módulo de elasticidade, esses blocos apresentam deformação mínima sob cargas pesadas, proporcionando uma base de montagem sólida para o sistema de parafuso de avanço e garantindo a precisão de posicionamento do efetor final. Garante precisão de usinagem e posicionamento sob cargas pesadas.
Capacidade de carga robusta, suporta impactos A estrutura de nervuras otimizada e o design de paredes espessas, combinados com parafusos de montagem de alta resistência (por exemplo M8, M10, M12), permitem que os blocos suportem cargas de impacto severas e altas tensões sustentadas. Adequado para condições operacionais extremas, como estampagem, forjamento e corte pesado.
Ajuste de precisão, instalação sem complicações O diâmetro do furo da chave D é precisamente ajustado à porca do parafuso de avanço, e a unidade fornece superfícies de montagem precisas e vários conjuntos de furos de montagem padronizados (P, W, Y), permitindo alinhamento e fixação rápidos e precisos. Simplifica a montagem, eliminando a perda de precisão e o desgaste anormal causados pela instalação incorreta.
Durabilidade duradoura, baixos custos de manutenção O aço em si oferece excelente resistência ao desgaste e, combinado com o tratamento anticorrosivo de superfície, proporciona uma vida útil muito superior à dos componentes de alumínio em ambientes agressivos envolvendo óleo, refrigerante e limalhas metálicas, reduzindo significativamente a frequência de manutenção e os custos de peças de reposição. Garante confiabilidade a longo prazo e alto tempo de atividade do equipamento.
Gama abrangente, seleção flexível Estão disponíveis modelos padrão que vão de DSG1616 a DSG5050, bem como a série ‘H’ de modelos reforçados de DSG16H a DSG60H, cobrindo de forma abrangente as especificações tradicionais de parafusos de esferas. Atende a uma ampla gama de requisitos de instalação, desde parafusos de avanço padrão para serviços pesados até parafusos de avanço extragrandes.

Guia de referência rápida e seleção de modelos
A tabela de parâmetros fornecida distingue claramente entre dois tipos principais:
1. Série padrão para serviços pesados (por exemplo, DSG1616, DSG2020...)
Características: Estrutura clássica, forte versatilidade, adequada para a maioria das aplicações pesadas.
Parafuso esférico correspondente: corresponde diretamente a parafusos esféricos com o mesmo diâmetro e avanço (por exemplo, DSG2525 corresponde a SFU2525).
Dimensões principais: Preste atenção à largura total B, altura total H e distância do furo de montagem P para confirmar o espaço de instalação.
2. Série aprimorada do tipo "H" (por exemplo, DSG16H, DSG20H...)
Características: Geralmente mais compacto ou otimizado para aplicações específicas; um modelo é compatível com vários cabos no mesmo diâmetro de eixo, oferecendo maior versatilidade.
Parafuso de esfera correspondente: um modelo cobre vários fios no mesmo diâmetro de eixo (por exemplo, DSG16H é compatível com SFU1605/1610/1616).
Dimensões principais: Observe que a distância do furo de montagem pode ser menor (por exemplo, P=40 mm), adequada para projetos pesados com espaço limitado.

Método de seleção em três etapas:
1. Determine o parafuso de esferas: identifique claramente o modelo de parafuso de esferas que você está usando (por exemplo, SFU2020) ou o diâmetro externo da porca D e os requisitos de instalação.
2. Selecione o modelo: Encontre o modelo correspondente na coluna "Parafuso de esfera correspondente" da tabela para determinar o modelo de alojamento da porca DSG.
3. Verifique o espaço: verifique a largura total B, a altura total H e as posições dos furos de montagem do alojamento da porca para garantir espaço de instalação e espaço de operação de fixação suficientes em seu equipamento.

Aplicações
A série DSG fornece suporte robusto nas seguintes áreas:
Máquinas-ferramentas CNC para serviços pesados: eixos de alimentação de grandes fresadoras de pórtico, mandriladoras de piso e furadeiras de furos profundos. Equipamentos de conformação para indústria pesada: mecanismos de transmissão central para prensas de estampagem de chapas metálicas, prensas hidráulicas e máquinas de fundição e forjamento.
Máquinas para plásticos e borracha: Unidades de movimentação de unidades de injeção e fixação de moldes de grandes máquinas de moldagem por injeção.
Manuseio e automação de materiais: componentes de acionamento de precisão em empilhadeiras pesadas, guindastes portuários e sistemas logísticos automatizados.

O alojamento da porca de aço da série DSG é uma escolha intransigente para aplicações de transmissão de precisão pesada. Representa uma filosofia de design: nas condições de trabalho mais exigentes, a robustez fundamental é o pré-requisito para todo desempenho avançado. Escolher o DSG significa escolher um núcleo de suporte de carga confiável para seu equipamento pesado. Ele transforma o torque de condução invisível em movimento linear estável, preciso e durável, servindo como pedra angular para garantir a eficiência da produção e o valor a longo prazo do seu equipamento.

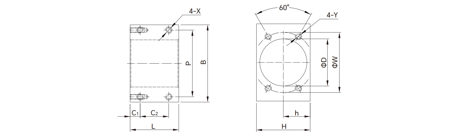
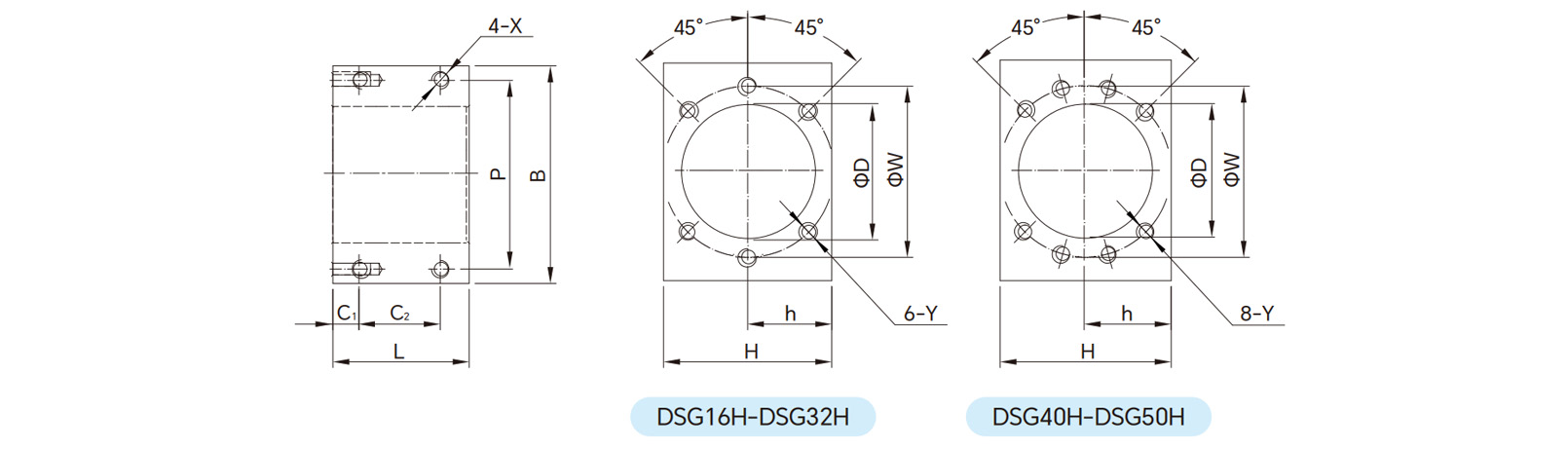
Parâmetros

Modelo no. Modelo pareado D B H h L C1 C2 P X O Y
DSG 1616 1616 32 55 40 20 27 6 15 45 M4 42 M4
DSG 2020 2020 39 66 47 23.5 35 7.5 20 56 M5 50 M5
DSG 2525 2525 47 80 55 27.5 34 7 20 68 M6 60 M6
DSG 3232 3232 58 95 66 33 55 10 35 82 M8 74 M8
DSG 4040 4040 73 120 90 45 60 10 40 100 M10 93 M10
DSG 5050 5050 90 128 104 52.5 68 9.3 50 110 M12 112 M12

Modelo no. Modelo pareado D B H h L C1 C2 P X O Y
DSG16H 1605
1610
1616
1620
28 52 40 20 40 8 24 40 M5 38 M5
DSG 20H 2005
2010
2020
36 62 44 22 40 8 24 48 M6 47 M6
DSG 25H 2505
2510
2520
2525
40 66 48 24 40 8 24 50 M6 51 M6
DSG 32H 3205
3210
3220
3232
50 86 62 31 40 8 24 66 M8 65 M8
DSG 40H 4005
4010
4020
4040
63 100 80 40 60 10 40 78 M8 78 M8
DSG 50H 5005
5010
5020
5050
75 120 91 45.5 60 10 40 93 M10 93 M10

Desenhos