Siga-nos
Produtos · Produtos · Produtos · Produtos · Produtos · Produtos · Produtos · Produtos · Produtos · Produtos · Produtos · Produtos · Produtos · Produtos · Produtos · Produtos ·

Parafuso de esfera forte à prova de poeira e baixo ruído da série SFA

Lar · Produtos · Parafuso de esfera · Parafuso de esfera forte à prova de poeira e baixo ruído da série SFA
Parafuso de esfera forte à prova de poeira e baixo ruído da série SFA

Parafuso de esfera forte à prova de poeira e baixo ruído da série SFA

O parafuso esférico da série SFA foi projetado para condições de trabalho complexas que envolvem contaminação por poeira e altas demandas de ruído operacional e suavidade. Ele integra vedação potente e design silencioso, garantindo que equipamentos em salas limpas ou laboratórios de precisão, como os das indústrias alimentícia, farmacêutica e de montagem eletrônica, possam resistir à intrusão de micropoeira e, ao mesmo tempo, obter movimentos silenciosos, suaves e precisos.

Tecnologia

O valor central da série SFA reside na sua dupla proteção e dupla otimização, alcançando um equilíbrio perfeito entre o desempenho da proteção e a qualidade do movimento. Suas vantagens abrangentes superam em muito as dos produtos de função única

Dimensões Características Série SFA Tipo de alta resistência à poeira e baixo ruído Tipo à prova de poeira de estágio único (SFNU) Tipo Padrão (Referência Comparativa)
Valor principal Oferece transmissão de precisão silenciosa e suave em ambientes adversos. Proteção focada, garantindo operação fundamental. Adequado para transmissão básica em ambientes limpos.
Capacidade de proteção As vedações multiestágios de alta eficiência bloqueiam efetivamente poeira fina, fibras e respingos de líquidos. Vedação em vários estágios para capacidades de defesa robustas. Oferece proteção fundamental, adequada apenas para ambientes limpos.
Ruído e Vibração Significativamente otimizado para operação silenciosa e estável. Ruído reduzido através de um sistema de circulação otimizado. Níveis de ruído comparáveis aos tipos padrão, sem otimização especial. Os níveis de ruído aumentam visivelmente com o aumento da velocidade.
Suavidade do passeio Baixa vibração excepcional melhora a estabilidade e a qualidade em operações de precisão. Suavidade média. A suavidade é média.
Confiabilidade e vida útil Supera os modelos padrão em vida útil e confiabilidade em ambientes contaminados; o design de baixo desgaste amplia ainda mais os intervalos de manutenção. Vida útil significativamente prolongada em ambientes contaminados. A vida útil é significativamente reduzida em ambientes contaminados.
Cenários aplicáveis Aplicações: Automação de salas limpas, embalagens de alimentos, instrumentação de precisão, equipamentos médicos, montagem eletrônica de última geração. Adequado para condições de poeira pesada em marcenaria, processamento de pedras, máquinas agrícolas e aplicações semelhantes. Adequado para zonas limpas de fábrica e linhas de montagem padrão.

Principais Parâmetros Técnicos e Projeto
Forte proteção contra poeira: utiliza um sistema de vedação composto do tipo tampa final, normalmente incluindo uma combinação de vedações elásticas raspadoras e vedações sem contato em labirinto, garantindo que nenhum contaminante entre na pista de lubrificação.
Baixo ruído: a geometria otimizada do canal de circulação da esfera e as interfaces do tubo de retorno reduzem o impacto e a turbulência da esfera, proporcionando uma operação silenciosa.
Precisão e desempenho: oferece graus de precisão como C5 e C7, com eficiência de transmissão >90%, garantindo proteção sem sacrificar a eficiência e a precisão da transmissão.
Compatibilidade com especificações: As dimensões de montagem das porcas são geralmente compatíveis com as séries flangeadas padrão (SFU), facilitando atualizações de equipamentos ou substituição direta, reduzindo os custos de mudança de projeto.

Aplicação
A série SFA é a escolha ideal para os seguintes campos com requisitos rigorosos de limpeza e ambientes de trabalho silenciosos:
Salas limpas e fabricação de precisão: equipamentos de manuseio de wafers semicondutores, linhas de produção de painéis LCD, instrumentos ópticos de precisão.
Indústrias alimentícias e farmacêuticas: máquinas de embalagem automatizadas, máquinas de envase, equipamentos de distribuição farmacêutica, atendendo aos padrões GMP.
Montagem eletrônica de última geração: máquinas de posicionamento SMT, máquinas de distribuição de precisão, equipamentos de teste automatizados para componentes de telefones celulares/computadores.
Equipamentos médicos e laboratoriais: instrumentos analíticos médicos, equipamentos de amostragem automatizados, plataformas de automação laboratorial.

O parafuso esférico forte à prova de poeira e de baixo ruído da série SFA representa o desenvolvimento inteligente e fácil de usar de componentes de transmissão de precisão. Ele não apenas resolve o problema da "usabilidade", mas também se esforça para alcançar "excelente desempenho" e "durabilidade" em ambientes exigentes. Escolher a série SFA significa injetar energia de precisão confiável, silenciosa e duradoura em seu equipamento, aumentando diretamente a competitividade de seus produtos finais no mercado de ponta.

Parâmetros

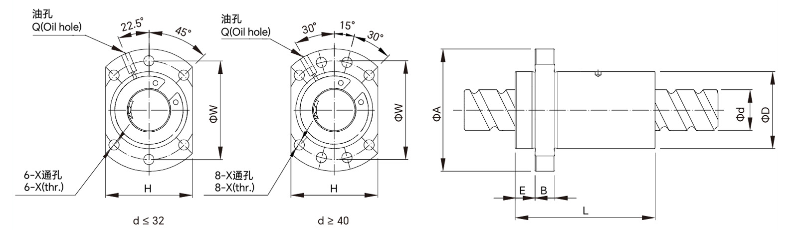
Modeeuo no. d l Sim Dimensão Classificação de carga Rigidez Peso
D Um E B L O H X Q n Ca(kgf) Coa(kgf) Kgf/um Kg
SFA1205-2,8 12 5 2.5 24 40 5 10 30 32 30 4.5 M6 2,8×1 661 1316 19 0.112
SFA1210-2.8 10 2.5 24 40 5 10 42 32 30 4.5 M6 2,8×1 642 1287 19 0.13
SFA1605-3,8 15 5 2.778 28 48 5 10 31 38 40 5.5 M6 3,8×1 1112 2507 30 0.168
SFA1610-2,8 10 2.778 28 48 5 10 42 38 40 5.5 M6 2,8×1 839 1821 23 0.198
SFA1616-1,8 16 2.778 28 48 5 10 43 38 40 5.5 M6 1,8×1 552 1137 14 0.202
SFA1620-1,8 20 2.778 28 48 5 10 50 38 40 5.5 M6 1,8×1 554 1170 14 0.222
SFA2005-3,8 20 5 3.175 36 58 7 10 33 47 44 6.6 M6 3,8×1 1484 3681 37 0.245
SFA2010-3.8 10 3.175 36 58 7 10 52 47 44 6.6 M6 3,8×1 1516 3833 40 0.33
SFA2020-1.8 20 3.175 36 58 7 10 52 47 44 6.6 M6 1,8×1 764 1758 19 0.332
SFA2505-3,8 25 5 3.175 40 62 7 10 33 51 48 6.6 M6 3,8×1 1650 4658 43 0.272
SFA2510-3,8 10 3.175 40 62 7 12 52 51 48 6.6 M6 3,8×1 1638 4633 45 0.35
SFA2525-1,8 25 3.175 40 62 7 12 60 51 48 6.6 M6 1,8×1 843 2199 22 0.415
SFA3205-3,8 32 5 3.175 50 80 9 12 35 65 62 9 M6 3,8×1 1839 6026 51 0.462
SFA3210-3,8 31 10 3.969 50 80 9 12 53 65 62 9 M6 3,8×1 2460 7255 55 0.58
SFA3220-2.8 20 3.969 50 80 9 12 72 65 62 9 M6 2,8×1 1907 5482 43 0.742
SFA3232-1,8 32 3.969 50 80 9 12 78 65 62 9 M6 1,8×1 1257 3426 27 0.79
SFA4005-3,8 40 5 3.175 63 93 9 14 39 78 70 9 M8 3,8×1 2018 7589 60 0.808
SFA4010-3.8 38 10 6.35 63 93 9 14 57 78 70 9 M8 3,8×1 5035 13943 67 0.87
SFA4020-2.8 20 6.35 63 93 9 14 78 78 70 9 M8 2,8×1 3959 10715 54 1.15
SFA4040-1,8 40 6.35 63 93 9 14 96 78 70 9 M8 1,8×1 2585 6648 34 1.525
SFA5005-3,8 50 5 3.175 75 110 10.5 15 42 93 85 11 M8 3,8×1 2207 9542 68 0.944
SFA5010-3.8 48 10 6.35 75 110 10.5 18 57 93 85 11 M8 3,8×1 5638 17852 79 1.28
SFA5020-3.8 20 6.35 75 110 10.5 18 98 93 85 11 M8 3,8×1 5749 18485 87 2.05
SFA5050-1,8 50 6.35 75 110 10.5 18 117 93 85 11 M8 1,8×1 2946 8749 42 2.4

Desenhos

Suporta seleção de combinação de produtos